Aplicación de adaptador hidráulico
Los adaptadores de manguera hidráulica son componentes fabricados para unir dos o más formas o tamaños de rosca entre sí. En algunos casos, los adaptadores también pueden ser accesorios. Por ejemplo, si el puerto hembra cilíndrico ORB debe conectarse al extremo hembra de la manguera JIC, los accesorios del adaptador serán el macho ORB y el macho JIC. Los adaptadores de manguera hidráulica también permiten la conexión de componentes de tamaño desigual. Considere la rara ocasión en que se instalan componentes opcionales en un sistema, pero sucede que tienen los mismos tamaños de puerto. Pasar de un diámetro al siguiente requiere un adaptador. El adaptador puede tener dos hembras, dos machos o uno de cada tipo, pero siempre existirá con diferentes tamaños en cada extremo. Algunos adaptadores son tamaños de salto, subiendo dos o más tamaños estándar, como desde ¼ de pulgada NPT hasta ½ pulgada NPT.
Los adaptadores de manguera hidráulica también brindan soluciones creativas. Una manguera hidráulica puede tener conexiones JIC de 1 pulgada, por lo que un adaptador en T con un extremo hembra JIC de 1 pulgada, un extremo macho JIC de 1 pulgada y el tercero con conector macho JIC de ¼ de pulgada permite un punto de prueba o manómetro que se agregará a esa parte de la tubería.
Los adaptadores hidráulicos están hechos de acero para una mayor durabilidad. Adaptador para usar en conexiones o conversiones de tamaño hidráulico. Diseñado para simplificar la conexión de los componentes hidráulicos asegurando el enrutamiento adecuado de la manguera para una vida útil más prolongada. Los adaptadores de manguera deben cumplir con los requisitos de montaje y desmontaje convenientes, conexión confiable, sellado confiable, tamaño pequeño, gran capacidad de flujo de aceite, pequeña pérdida de presión y tecnología de procesamiento. Los adaptadores son muy utilizados en todos los rincones de nuestras vidas. Se utilizan principalmente en diversas industrias, como la energía, la petroquímica, la energía eléctrica, los barcos, los automóviles, el tránsito ferroviario, la minería, la metalurgia, las acerías, la ingeniería oceánica, la maquinaria de ingeniería, etc.
-
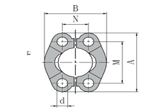
ISO Square Flange
-
SAE Flange Clamp whit Metric Thread
-
SAE Flange Clamp
-
SAE Split Flange Clamp
-
SAE Split Flange Clamp
-
ORFS Male Flat / inch Socket-weld Tube
-
ORFS Male / Socket-weld Tube
-
SAE Flange 6000PSI / inch Socket-weld Tube
-
SAE Flange 6000PSI / inch Socket-weld Tube
-
SAE Flange 3000PSI / inch Socket-weld Tube
-
SAE Flange 3000PSI / inch Socket-weld Tube
-
SAE Closed Flange
-
SAE Closed Flange Companion
-
SAE Flange
-
SAE Flange
-
SAE Flange Plug
-
90 Bite Type/SAE Flange
-
90 Bite Type/SAE Flange
-
Bite Type/SAE Split Flange
-
Bite Type/SAE Flange













