X
Home / Hydraulic Adapter British Standard / BSP Thread 60 Cone Fittings / BSP MALE DOUBLE USE FOR 60° SEAT OR BONDED SEAL

BSP MALE DOUBLE USE FOR 60° SEAT OR BONDED SEAL

PEHEL Hydraulic Model: P5BN

QTY:

  • You May Also Like

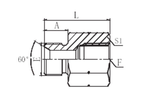
  • THREADDIMENSIONS
    PART NO.
    EFALS1
    5BN-04G1/4"X19Z1/4"X18123019
    5BN-06G3/8"X19Z3/8"X1813.53322
    5BN-08G1/2"X14Z1/2"X14164230
    5BN-12G3/4"X14Z3/4"X1418.544.536
    5BN-16G1"X11Z1"X11.520.55241
    5BN-20G1.1/4"X11Z1.1/4"X11.520.55550
    5BN-24G1.1/2"X11Z1.1/2"X11.5235860
    5BN-32G2"X11Z2"X11.525.56270
Leave us a message!
back to top