
NPT,SAE,PT thread for all parts is available
PHM213...FK
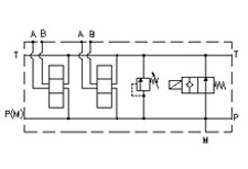
PEHEL Hydraulic Model: PHM213...FK
QTY:
- 1. Monoblock with ports A-B=3/8”G on the side, P-T=1/2”G.
2. With pressure relief valve. (RV)
3. Prearrange for 2/2 by pass valve, normally open (N.A.) or normally close.(N.C.)
4. Superior in quality and competitive in price
5. Scientific design and precise manufacturing





