
NPT,SAE,PT thread for all parts is available
PHM223..Y
PEHEL Hydraulic Model: PHM223..Y
QTY:
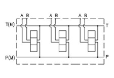
- 1. Monoblock for modular system with ports A-B=3/8”G on the side, P-T=1/2”G.
2. Superior in quality and competitive in price
3. Scientific design and precise manufacturing
4. NPT, SAE, PT thread for all parts is available





