
NPT,SAE,PT thread for all parts is available
PHM203...FL
PEHEL Hydraulic Model: PHM203...FL
QTY:
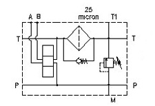
- 1. Monoblock with ports P-T=1/2”G and A-B=3/8”G on the side.
2. with pressure relief valve and return-line filter.
3. Superior in quality and competitive in price
4. Scientific design and precise manufacturing





