
NPT,SAE,PT thread for all parts is available
PHM253
PEHEL Hydraulic Model: PHM253
QTY:
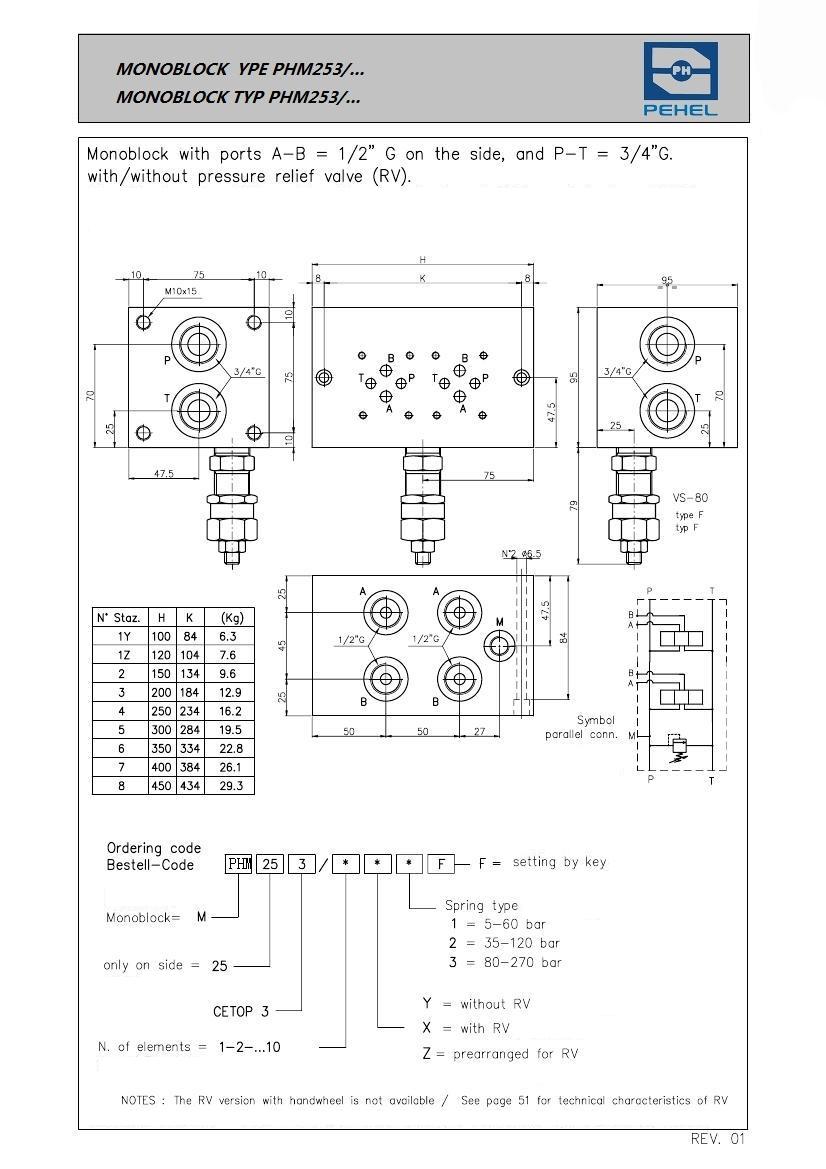
- 1. Monoblock with ports A-B=1/2”G on the side, and P-T=3/4”G and with /without pressure relief valve(RV).
2. Superior in quality and competitive in price
3. Scientific design and precise manufacturing
4. NPT, SAE, PT thread for all parts is available





