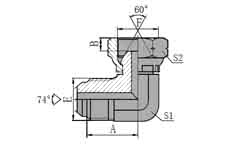
PART NO. THREAD DIMENSIONS E F A B S1 S2 2JB9-04 7/16"X20 G1/4"X19 24.5 5.5 11 19 2JB9-06 9/16"X18 G3/8"X19 26.9 6.3 14 22 2JB9-08 3/4"X16 G1/2"X14 32 7.5 19 27 2JB9-10 7/8"X14 G5/8"X14 37.8 9.5 22 30 2JB9-12 1.1/16"X12 G3/4"X14 44.2 10.9 27 32 2JB9-16 1.5/16"X12 G1"X11 49 11.7 33 41 Nut and sleeve should be ordered separately.The nut NB200 and sleeve NB500 is suitable for metric tube,the nut NB200 and sleeve NB300 is suitable for inch tube.





