Warning: include(other_left.php): failed to open stream: No such file or directory in /www/wwwroot/old/pehelhydraulic.com/loadpage.php on line 302
Warning: include(): Failed opening 'other_left.php' for inclusion (include_path='.:/www/server/php/55/lib/php') in /www/wwwroot/old/pehelhydraulic.com/loadpage.php on line 302
Custom Design hydraulic fittings

Global Shipping
Wholesale of Hose Fittings, Flange Fitting, Adaptors & Hydraulic Machine.

China Manufacturer
Hydraulic hose end fittings manufacturers in China

1,8000-20,000m2
PEHEL Hydraulic covers an area of 18,000 square meters

280-300station
Worldwide first-class CNC machines

CE & SGS ISO 9001
check every process in hose fitting(first inspection, routing inspection ,casual inspection,final inspection)
Custom Fittings
PEHEL Hydraulic is the leading supplier of hydraulic Fittings. has been engaged in Hydraulic Components research and development for more than 20 years.
Choosing the right fitting Factory
1. Pressure Rating: due to the risk of leakage, JIC fittings and NPT threads are not recommended for high pressure or high vibration applications. Most OEMs use o-ring face seals and DIN metric fittings for higher pressure applications.
2. Availability: because JIC and NPT fittings have been in the field for years, they are more easily accessible, less costly and a viable solution for low pressure applications.
3. Reliability: NPT fittings have been favored in the field in the past because leaks can be fixed by simply tightening the fitting. This has led to cracked fittings which can cause much more damage if left uncorrected.

Global Shipping
Wholesale of Hose Fittings, Flange Fitting, Adaptors & Hydraulic Machine.

China Manufacturer
Hydraulic hose end fittings manufacturers in China

1,8000-20,000m2
PEHEL Hydraulic covers an area of 18,000 square meters

280-300station
Worldwide first-class CNC machines

CE & SGS ISO 9001
check every process in hose fitting(first inspection, routing inspection ,casual inspection,final inspection)
-
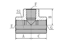
NPT FEMALE
-
NPT MALE/METRIC MALE WITH O-RING
-
NPT MALE/METRIC BONDED SEAL
-
90 NPT MALE/SAE O-RING BOSS
-
90 NPT MALE/METRIC MALE 90 CONE
-
NPT MALE/BSPT MALE
-
45 NPT MALE/BSP FEMALE 60 CONE
-
NPT MALE/BSP PRESSURE GAUGE CONNECTORS
-
NPT MALE/ORFS FEMALE
-
90 NPT MALE/JIC FEMALE 74 SEAT
-
90 NPT FEMALE/BSP FEMALE 60 CONE
-
NPT FEMALE/BSP FEMALE 60 CONE






